Automated Curtain Alarm System

Short Summary
The Automated Curtain Alarm System (ACAS) is a fully integrated smart curtain solution that combines embedded hardware, stepper motor control, IR remote and mobile app communication, database management, and alarm scheduling to enhance daily routines. The system can open and close curtains, control lights, and trigger alarms via Wi-Fi, MQTT, or an IR remote—without relying on constant human supervision.
Problem
Many people struggle with consistent wake-up routines and managing ambient light throughout the day. Existing solutions are either overly manual, lack automation features, or require multiple devices and apps to function. A unified, smart curtain and alarm system can simplify this process, improving comfort and productivity.
Solution
The ACAS leverages:
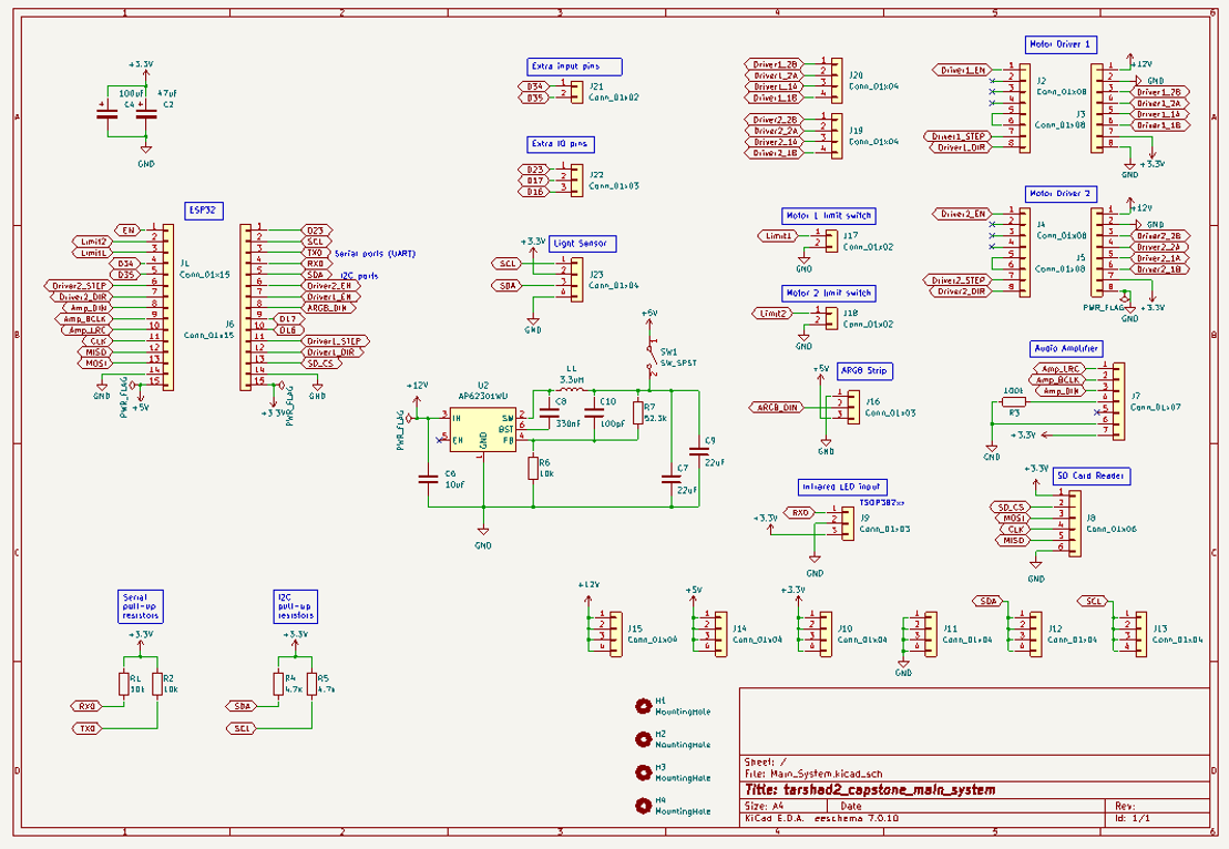
- ESP32-WROOM microcontroller programmed in MicroPython
- Stepper motors with TMC2209 drivers and timing belts
- Limit switches for precise curtain positioning
- LED strips and audio playback via SD card and I2S
- MQTT and Wi-Fi connectivity for mobile app integration
- IR remote with ATmega328 for offline control
It allows users to schedule curtain movements and alarms, control lights, and receive notifications via a mobile app built in Xamarin Forms, backed by a MySQL database.
How It Works
Data Collection
Stepper motors, limit switches, LED strips, and IR signals are continuously monitored and controlled via the ESP32.
On-Device Processing
The ESP32 processes inputs from sensors, motor drivers, and the IR receiver to determine curtain position and alarm triggers.
Edge Communication
MQTT and Wi-Fi transmit curtain status and alarms to the mobile application in real time. The IR remote communicates via UART for offline operation.
Notification & Automation
The mobile app displays curtain status, light control, and alarm triggers. Automated sequences gradually open curtains and play audio alarms.
Project planning and breakdown



Key Features
- Low-power, embedded hardware design
- Automated curtain and alarm scheduling
- IR and mobile app remote control
- Real-time MQTT/Wi-Fi communication
- Integrated LED lighting and audio playback
- Modular hardware-software architecture
Hardware & Software Stack
Hardware
- Microcontroller: ESP32-WROOM, MicroPython
- Motors: Stepper motors with TMC2209 drivers
- Sensors: Limit switches, IR receiver
- Lighting & Audio: LED strips, audio amplifier, SD card reader
- Power: 5V and 12V regulated buck converters
- Indicators: LEDs for status, IR remote buttons
Software
- Firmware: MicroPython for ESP32
- Mobile App: Xamarin Forms with MySQL backend
- Communication: MQTT for edge connectivity, UART for IR remote
PCB & Hardware Design
The ACAS prototype uses a custom PCB integrating:
- Stepper motor drivers and power circuits
- ESP32 and IR receiver connections
- LED strip and audio amplifier routing
- IR remote PCB for offline control
- Careful trace layout to minimize noise and ensure stable operation



Evaluation & Testing
- Stepper motor calibration tests ensured precise curtain movement
- IR remote communication verified over UART
- MQTT and Wi-Fi tested for reliability and latency
- LED and audio playback verified across different routines
Mobile App UI
- Displays curtain status: open, closed, or moving
- Controls alarms and lighting schedules
- Connects to the ESP32 via MQTT

Conclusion
The Automated Curtain Alarm System demonstrates a practical, low-power embedded solution for smart home automation. By integrating stepper motors, LEDs, audio, mobile app control, and MQTT/Wi-Fi communication, the system offers convenience, routine automation, and an improved wake-up experience. Future iterations could include more sensors, light adaptation, and expanded alarm functionality.